产品展示PRODUCT

您当前的位置:首页 - 产品展示 - 低压开关设备

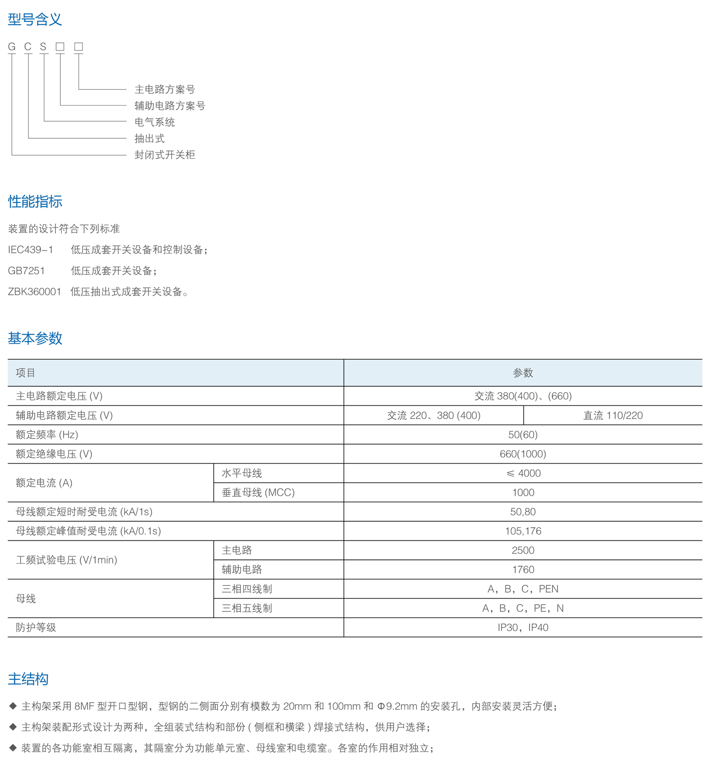
GCS低压抽出式开关柜

7*24小时免费咨询电话

18577898088

60秒级人工响应

30分钟内给予技术咨询答复

24小时免费提供方案设计

产品详情

GCS装置适用于发电厂、石油、化工、冶金、纺织、高层建筑等行业的配电系统。在大型发电厂、石化系统等自动化程度高,要求与计算机接口的场所,作为三相交流频率为50(60)Hz,额定工作电压为380V(400V), (660V),额定电流为4000A及以下的发、供电系统中的配电、电动机集中控制、无功功率补偿使用的低压成套配电装置。

2.2.png


在线咨询

如果您对我们的产品感兴趣,或者我们有什么可以帮助到您的,您可以随时拨打我们的全国客服电话:18577898088

您也可以在线与我们沟通,当然您也可以在下面给我们留言,我们将热忱为您服务!

电表箱产品系列

高压开关设备

低压开关设备

箱式变电站

电缆分接箱

变压器

元器件系列

配电箱