产品详情
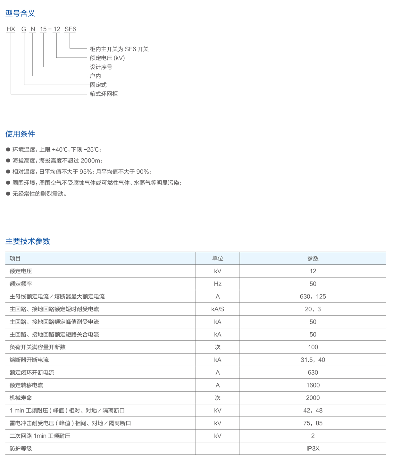
HXGN15-12型单元式交流金属封闭环网开关设备 (以下简称环网柜) 是我们在引进国外先进技术并按照国内农电及城网改造之要求而自行设计、研制成功的新一代高压电器产品。各项技术性能指标全IEC62271-200:2003和GB3906标准。 环网柜的主开关、操作机构及元器件采用ABB公司原装件或采用进口部件国内组装生产的SFL-12/24型开关设备,也可根据用户需要配装ABB公司原装HAD/US型SF6。 断路器或VD4-S型真空断路器。 其操作方式分为手动、电动两种。 柜体经数控机床加工后铆接而成,防护等级达到IP3X,并有可靠的机械联锁和防误操作功能。本产品具有体积小、重量轻、外型美观、操作简便、长寿命、高参数、无污染、少维护等极具显著的特点。 HXGN15-12型单元式交流金属封闭环网开关设备, 适用于交50Hz、12kV的电力网络中,作为电能的接受和分配之用。柜内主开关为SF6开关。
