产品展示PRODUCT

您当前的位置:首页 - 产品展示 - 高压开关设备

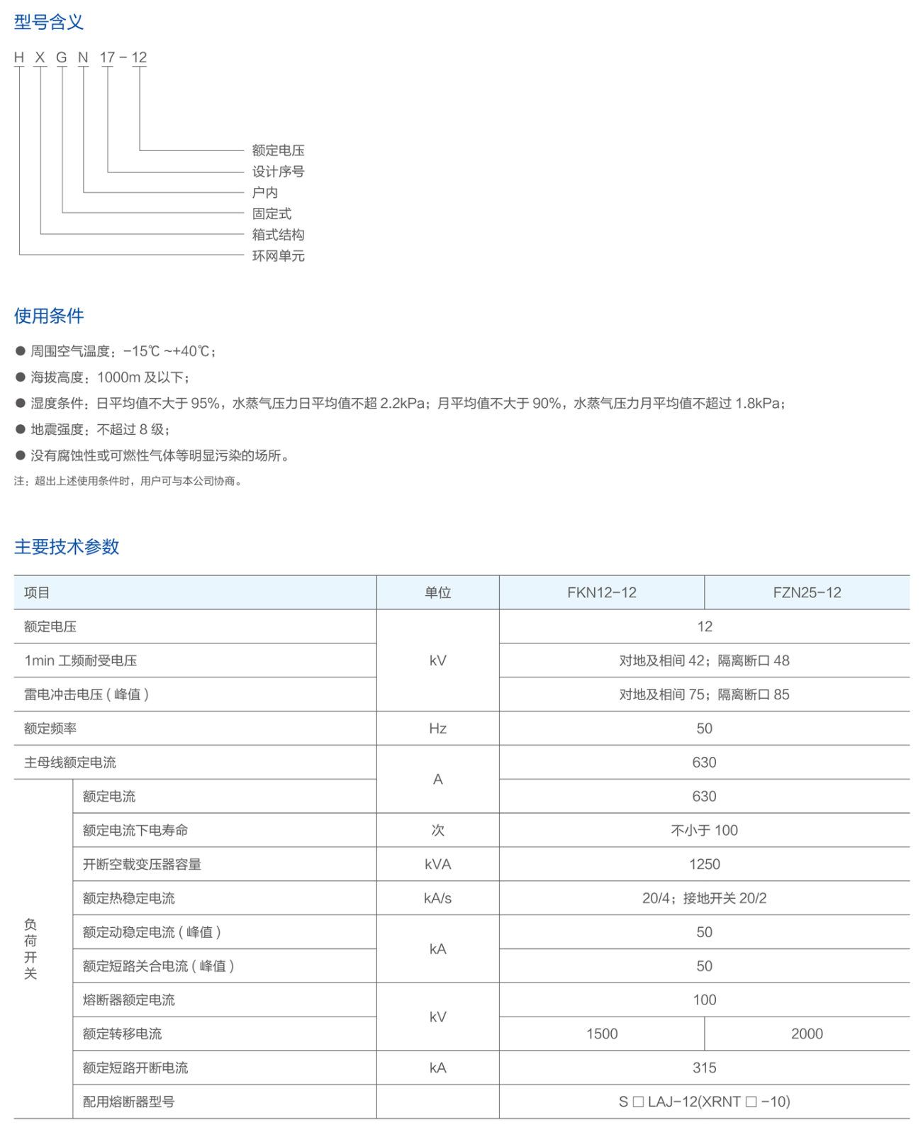
HXGN17-12交流金属环网开关设备(真空开关)

7*24小时免费咨询电话

18577898088

60秒级人工响应

30分钟内给予技术咨询答复

24小时免费提供方案设计

产品详情

HXGN17-12交流金属环网开关设备(真空开关)(简称环网柜),是为城市电网改造和建设需要而生产的新型高压开关设备。在供电系统中亦作为开断负荷电流和短路电流以及关合短路电流之用,本环网柜配用FZRN25、FZRN21真空负荷开关,操作机构为弹簧机构,该机构既可手动操作,也可电动操作。接地开关和隔离刀配用手动操作机构,本环网柜成套性强、体积小、无燃烧和爆炸危险,还具有可靠的“五防”功能。 本环网柜符合GB3906《3-35kV交流金属封闭开关设备》、IEC60420《高压交流负荷开关熔断器组合电器》标准的有关规定。

12.png

在线咨询

如果您对我们的产品感兴趣,或者我们有什么可以帮助到您的,您可以随时拨打我们的全国客服电话:18577898088

您也可以在线与我们沟通,当然您也可以在下面给我们留言,我们将热忱为您服务!

电表箱产品系列

高压开关设备

低压开关设备

箱式变电站

电缆分接箱

变压器

元器件系列

配电箱